Matière POM.
Boulon pour la fixation de panneaux isolants et huisseries de portes.
Écrou hexagonal Nylon PA-66.
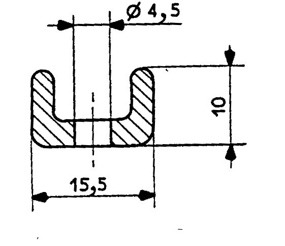
Goulotte PVC à fixer au sol pour guider et positionner les panneaux isolants de 60 mm.
Prix au M (attention conditionné par 3, utiliser un multiple de 3)
L=2,7m.